Перейти к содержимому

  • Щомыслицкий с/с, АД Р1 "Брест-Минск",
    9-ый км, территория заправки А100
  • Режим работы
График работы

  • Понедельник
    9:00 – 17:30
  • Вторник
    9:00 – 17:30
  • Среда
    9:00 – 17:30
  • Четверг
    9:00 – 17:30
  • Пятница
    9:00 – 17:30
  • Суббота
    10:00 – 16:00
  • Воскресенье
    Выходной
  • Щомыслицкий с/с, АД Р1 "Брест-Минск",
    9-ый км, территория заправки А100

Очистные сооружения Alta Air Master 40

Код товара: 731-
Краткие характеристики
Количество человек

40 чел

Залповый сброс

3600 литров

Общие характеристики
  • Количество пользователей
    40
  • Залповый сброс, литров (единовременный прием стоков)
    3600
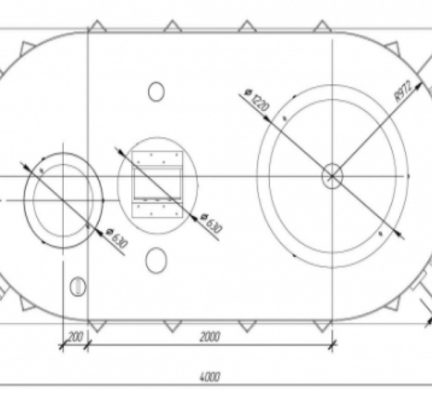
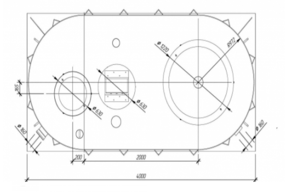
  • Размер основания, мм
    4000 × 2120
  • Диаметр, мм / количество горловин
    1220, 630/1
  • Габариты (Высота, мм)
    2825
  • Вес, кг
    770
О товаре
  • Страна производитель
    Россия

Локальное очистное сооружение Alta Air Master 40

За пределами населенных пунктов, в местах, где отсутствуют инженерные сети водоснабжения и канализации, для очистки сточных вод от индивидуальных построек используются локальные установки очистки сточных вод. Установка Alta Air Master 40 подходит для комфортного проживания 40 человек и обеспечивает экологичное и надежное решение проблем с очисткой сточных вод для одного или группы коттеджей. Установка по обработке сточных вод Alta Air Master 40 это заменитель полей фильтрации и (или) полей орошения, занимающих обширную площадь. Очищенную воду от установки Alta Air Master 40 можно направлять в поверхностную ирригационную систему или непосредственно в канал (канаву) (при условии установки УФ).

Описание работы Alta Air Master 40

Внутри системы очистки сточных вод Alta Air Master располагается двухкамерный отстойник, биореактор с погруженной загрузкой, ламинарный отстойник, система коагуляции, система обеззараживания осадка, насосы для чистой воды, очистное сооружения оборудовано вентиляционными патрубками для подключения стояка вентиляции (при отсутствии тяги в подводящей канализационной сети) и монтажными петлями для фиксации очистного сооружения на бетонной плите. Очистное сооружение поставляется полностью укомплектованным и готовым к монтажу модулем.

Система работы Alta Air Master 40

Все конструктивные элементы и детали Alta Air Master, контактирующие со сточными водами, выполнены из неподверженных коррозии материалов: полипропилена, полиэтилена, поливинилхлорида, силикона. Конструкция очистного сооружения рассчитана на неравномерное поступление сточных вод в течение суток с коэффициентом среднесуточной неравномерности часового расхода не более 2.

В Alta Air Master реализуется экологически чистая технология глубокой биохимической очистки сточных вод биоценозами прикрепленных и свободно плавающих автотрофных и гетеротрофных микроорганизмов, действующих в аэробных и анаэробных условиях, с автоматическим поддержанием концентрации активного ила в аэротенке и первичном отстойнике, а так же длительной стабилизацией избытков ила с последующими процессами доочистки и обеззараживания.

Сток поступает в приемную камеру-накопитель, где происходит накопление нерастворимых взвешенных веществ поступающих со сточными водами. Одновременно в данной камере происходят анаэробные процессы денитрификации, цель которых удаление азота из стока. Перелив в камере-накопителе расположен таким образом, чтобы сточные воды протекали с наименьшей скоростью, благодаря чему в каждой камере происходит оседание грубодисперсных взвешенных частиц на дно.

Из приемной камеры-накопителя сток самотеком попадает в верхнюю часть биофильтра и равномерно распределяются по всей площади биологической загрузки и насыщаются кислородом. Биологический фильтр (биофильтр) – сооружение, в котором сточная вода фильтруется через загрузочный материал, покрытый биологической пленкой (биопленкой), образованной колониями микроорганизмов. В биофильтре установлен аэрационный элемент, предназначенный для принудительного насыщения воды кислородом из воздуха. Сюда же подается осаждающий препарат Eco Membrana в жидкой фракции. Осаждающий препарат дозируется строго в соответствии с реальной производительностью очистного сооружения. Задача осаждающего препарата провести химическое связывание фосфатов, присутствующих в стоке, а так же улучшить эффективность выпадения осадка в последующей камере ламинарного отстойника.

В процессе работы биореактора отработавшая и омертвевшая биопленка (избыточный ил) смывается и выносится из тела биофильтра на дно камеры, а так же осаждается на дне ламинарных отстойников. Далее избыточный ил удаляется с помощью гидравлической системы сбора и возврата осадка в приемную камеру очистного сооружения, где происходит процесс его стабилизации и минерализации.

Alta Air Master запрограммирован на суточный цикл работы и в периоды наименьшего поступления стока с помощью гидравлической системы сбора и возврата осадка, обеспечивает стабильное поступления питательных элементов для поддержания жизнедеятельности биомассы посредством рециркуляции ила.

В системе применена разработанная и запатентованная Компанией Alta Group гидравлическая система сбора и удаления осадка. Благодаря этой системе в очистном сооружении реализован самобалансирующийся механизм поддержания концентрации активного ила в аэротенке-биофильтре. Сбор и удаление осадка работает по программе, учитывающей суточную неравномерность поступления стока.

Сток из биореактора попадает в камеру ламинарного отстойника, где происходит удержание взвешенных частиц содержащихся в стоке, а так же частиц открепленной биомассы наряду с процессами денитрификации стока. Высокая эффективность ламинарного отстойника позволяет достичь высоких показателей по очистке стока от взвешенных частиц. Задержанный осадок вместе с предварительно нитрифицированным стоком направляется в камеру-накопитель. Осаждение взвешенных частиц в ламинарном отстойнике протекает до 4-х раз эффективнее, чем в обычном отстойнике.

Очищенная вода поступает в камеру чистой воды, где установлены два высокопроизводительных насоса – основной и резервный, организованные в группу КНС. Насосы работают по очереди, равномерно вырабатывая свой ресурс.

Насосы предназначены для выброса очищенной воды из очистного сооружения, либо подачи воды в блок ультрафиолетового обеззараживания Alta BioClean для дальнейшей обработки (поставляется опционально). УФ обеззараживание позволяет практически полностью уничтожить патогенные микроорганизмы. В бактерицидных установках применяются источники непрерывного ультрафиолетового излучения, которые воздействует на водную среду через специальный материал в диапазоне длин волн 180-300 нм. Для оповещения и дистанционного управления работой очистных сооружений и для своевременного предупреждения аварийных ситуаций, станцию возможно оборудовать системой SMS оповещения и дистанционного управления работой очистных сооружений Alta Contact.

Система Alta Contact осуществляет контроль наличия внешнего электропитания, наличия химикатов, контроль температурного режима, оповещает о необходимости откачки осадка, осуществляет защиту отсека оборудования от протечки и затопления.

Система Alta Contact осуществляет дистанционное управление электропитанием системы, включение/отключение аварийного и резервного насосов, включение/отключение звуковой/световой сигнализации.

Плюсы Alta Air Master 40

  • Не требуется установка дополнительного колодца на участке.
  • Более выгодное решение для домов, рельеф вокруг которых не позволяет воде выходить самотеком.
  • Гармоничный дизайн исполнения системы «зеленый верх», хорошо вписывается в ландшафт приусадебного участка.
  • Самотечный выброс очищенной воды, не ограниченное время работы в режиме простого отстойника без внешнего электропитания.
  • Малый вес, удобство транспортировки и монтажа.
  • Система рециркуляции очищенной воды, не требуется постоянное проживание.
  • Добавление коагулянта, увеличение скорости осаждения взвешенных веществ, удаление фосфора из стока.
  • Усовершенствованная система подключения питания.
  • Нет ограничения по сбросу бытовых отходов (салфетки, пища и т.п.).
  • Система наружного оребрения, надежная защита корпуса станции от деформации под воздействием грунтовых вод и сезонного движения почвы.

Очистное сооружение Alta Air Master 40 не требует обязательного оборудования поля поглощения или поля фильтрации, сброс очищенной воды может быть организован непосредственно на грунт либо в дренажные и ливневые системы. Периодичность обслуживания один раз в год. 

С радостью поможем с выбором!

Наш специалист бесплатно проконсультирует и подскажет оптимальные варианты

Полезные статьи

Долгое время центральной канализации не могли найти хорошую альтернативу, кроме выгребных ям, доставлявших массу неудобств. Ситуа…
Жизнь за городом – это не только чистый воздух и экологически чистые продукты, но и неудобства, связанные с отсутствием инженерны…
Неблагоприятная экологическая ситуация вынуждает жителей мегаполисов покидать городские квартиры и селиться за городом. Поэтому в…