Перейти к содержимому

  • Щомыслицкий с/с, АД Р1 "Брест-Минск",
    9-ый км, территория заправки А100
  • Режим работы
График работы

  • Понедельник
    9:00 – 17:30
  • Вторник
    9:00 – 17:30
  • Среда
    9:00 – 17:30
  • Четверг
    9:00 – 17:30
  • Пятница
    9:00 – 17:30
  • Суббота
    10:00 – 16:00
  • Воскресенье
    Выходной
  • Щомыслицкий с/с, АД Р1 "Брест-Минск",
    9-ый км, территория заправки А100

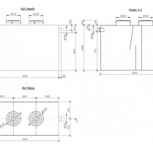
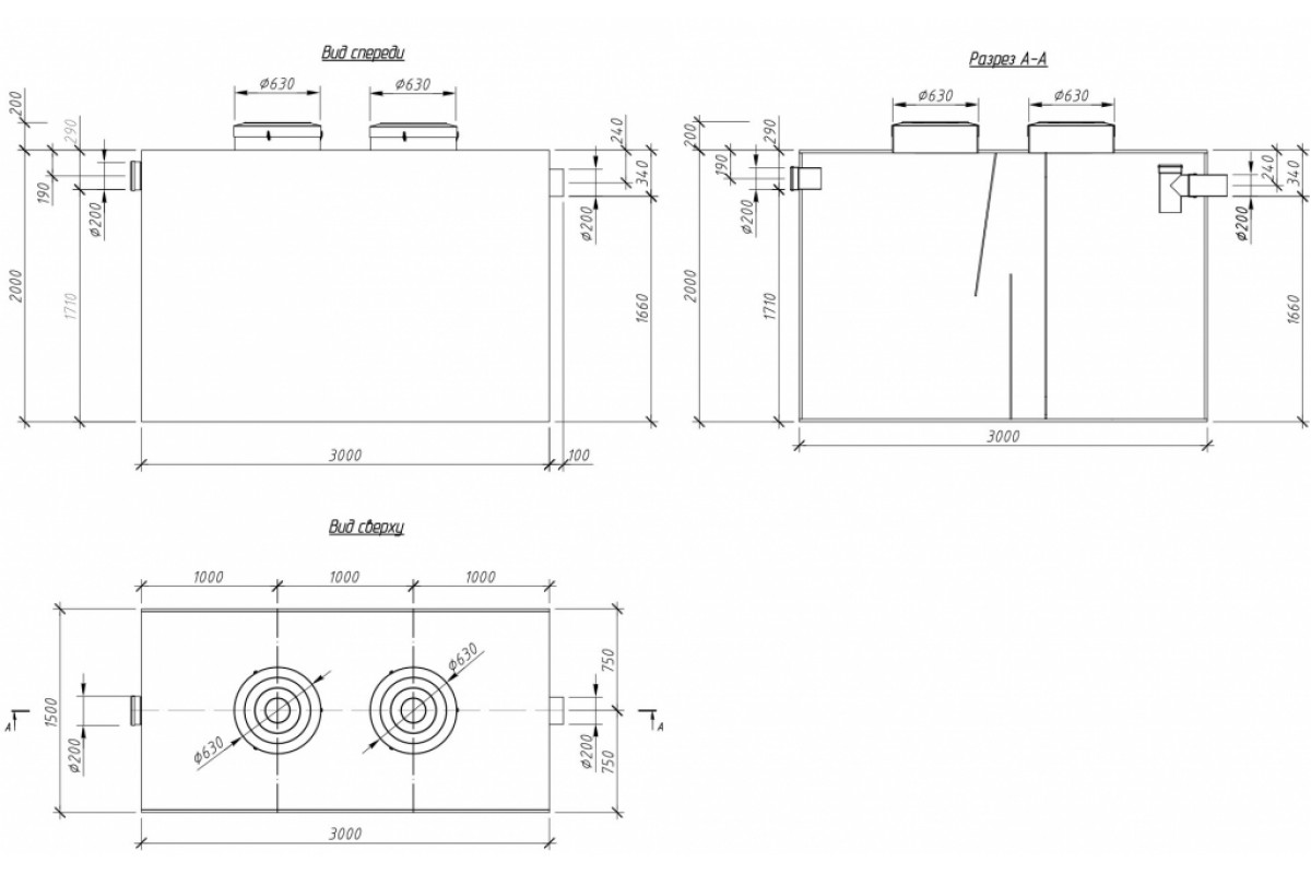
Промышленный жироуловитель Alta М-OS 54-3600

Код товара: 473-
Краткие характеристики
Залповый сброс

3600 литров

Общие характеристики
  • Залповый сброс, литров (единовременный прием стоков)
    3600
  • Размеры рабочей камеры, мм (Д х Ш х В)
    3000 × 1500 × 2000
  • Диаметр, мм / количество горловин
    630/200/2
  • Габариты (Длина × Ширина × Высота, мм)
    3177 × 1500 × 2200
  • Вес, кг
    435
О товаре
  • Страна производитель
    Россия
  • Гарантия, месяцев
    24

Промышленный жироуловитель Alta М-OS

Промышленный жироуловитель Alta М-OS выделяет и удерживает нежелательные жировые массы из сточных вод до их попадания в трубопровод внутренней канализации. Жироуловитель Alta М-OS изготовлен из пищевого пластика и предназначен для очистки хозяйственно-бытовых сточных вод (ХБСВ), поступающих предприятий общественного питания и других пищевых производств, жиров растительного и животного происхождения.

Преимущества жироуловителя Alta М-OS

  • Инновации при проектировании жироуловителя увеличивают эффективность очистки стока.
  • Продуманность конструкции обеспечивает удобный доступ к накопителю жиров.
  • Эффективность - очищает до 10 своих объемов в час (без затрат электроэнергии).
  • Современные полимерные материалы гарантируют срок эксплуатации более 50-ти лет.

С радостью поможем с выбором!

Наш специалист бесплатно проконсультирует и подскажет оптимальные варианты

Полезные статьи

Долгое время центральной канализации не могли найти хорошую альтернативу, кроме выгребных ям, доставлявших массу неудобств. Ситуа…
Жизнь за городом – это не только чистый воздух и экологически чистые продукты, но и неудобства, связанные с отсутствием инженерны…
Неблагоприятная экологическая ситуация вынуждает жителей мегаполисов покидать городские квартиры и селиться за городом. Поэтому в…